Clique aqui para fechar esta janela   

Voltar a página anterior

                                                                         

    ESTUDO DA FÍSICA    

 

O SEU SITE DE ESTUDO NA NET

  SIMULADO ON-LINE  
MACKENZIE 2009-1
GRUPO II - III  
 

BOA SORTE


 

Questão 1   
 
 
Um corpo é abandonado do repouso de uma certa altura e cai, em queda livre (g = 10 m/s2), por 4 s. Após esses 4 s, o corpo adquire velocidade constante e chega ao solo em 3 s. A altura da qual esse corpo foi abandonado era de
a) 80 m 
b)
120 m 
c) 180 m 
d) 200 m 
e) 220 m
 
 
 
 
 
Questão 2 
 
Certo garoto, com seu “skate”, desliza pela rampa, descrevendo o segmento de reta horizontal AB, com movimento uniforme, em 2,0 s. As resistências ao movimento são desprezíveis. Considerando d igual a 20 m e o módulo de g igual a 10 m/s2, o intervalo de tempo gasto por esse garoto para descrever o segmento CD é, aproximadamente, de
a) 1,0 s 
b) 1,4 s  
c) 1,6 s  
d) 2,0 s  
e) 2,8 s 
 
 
 
 
 
Questão 3 
 
A N U L A D A
Um pequeno carro tem massa 20,0 kg, quando vazio. Contendo inicialmente uma massa de 10,0 litros de água (m = 1,00 g/cm3), esse carro se desloca, nesse instante, com a velocidade escalar de 36 km/h. Durante seu movimento, retilíneo e praticamente livre de qualquer força de resistência, a água escorre por um orifício existente na base inferior, com vazão média de 0,50 litro por segundo, durante os primeiros 10,0 s. A aceleração escalar média desse carro, nesse intervalo de tempo, foi de 0,20 m/s2
a) 0,20 m/s2
b) 0,40 m/s2       
c) 1,20 m/s2
d) 2,00 m/s2  
e) 2,40 m/s2 
 

 

  
Questão 4 
 
A região da cidade de New York, nos Estados Unidos da América do Norte, é destacada entre os meteorologistas por ficar com temperaturas muito baixas no inverno (até –40 oC) e elevadas no verão (entre 35 oC e 40 oC). Nessas condições, dois fios metálicos possuem, em um dia de rigoroso inverno, os mesmos comprimentos Lo1= Lo2 = 10,000 m. Os coeficientes de dilatação linear médios dos materiais desses fios são, respectivamente, a1 = 1,0 . 10–5 oC–1 e a2 = 2,6 . 10– 5 oC–1. A variação de temperatura que esses fios devem sofrer juntos, para que a diferença entre seus comprimentos seja 8,0 . 10–3 m, é
a) 150 oC
b) 100 o
c) 50 oC 
d) 25 oC  
e) 12,5 oC  

 

     
 

 

 
Questão 5 
 
 
Um calorímetro de capacidade térmica 6 cal/oC contém 80 g de água (calor específico = 1 cal / g. oC ) a 20oC. Ao se colocar um bloco metálico de capacidade térmica 60 cal/oC, a 100 oC, no interior desse calorímetro, verificou-se que a temperatura final de equilíbrio térmico é 50 oC. A quantidade de calor perdida para o ambiente, nesse processo, foi de
a) 420 cal
b) 370 cal 
c) 320 cal 
d) 270 cal  
e) 220 cal
   

  

 

Questão 6 
 
As armaduras de um capacitor plano, distanciadas entre si de 1,00 mm, estão submetidas a uma d.d.p. de 1,67 kV. Em um certo instante, um próton (m = 1,67 . 10–27 kg; q = + e = 1,60 . 10–19 C) chega ao ponto A com energia de 3,34 . 10–1 MeV, segundo a direção orientada do eixo x. O ponto A é a origem do sistema de referências. No ponto de abscissa x = 4,00 mm, a ordenada de sua posição é, segundo o referencial indicado na figura, aproximadamente igual a 
a) + 0,20 mm  
b) – 0,20 m
c) + 2,00 mm
d) – 2,00 mm
e) – 20,0 mm
     

 

 Desprezar os efeitos gravitacionais e os efeitos relativísticos
Dado: 1 MeV = 1,6 . 10–13 J

 

Questão 7 
 
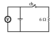
No laboratório de Física, um aluno observou que ao fechar a chave ch do circuito abaixo, o valor fornecido pelo voltímetro ideal passa a ser 3 vezes menor. Analisando esse fato, o aluno determinou que a resistência interna do gerador vale
a) 4 W 
b) 6 W   
c) 8 W   
d) 10 W   
e) 12 W   

 

    
 
 
 

RESULTADOS

Sua nota será:
Você acertou as questões:
Você errou as questões:

VERIFICAR GABARITO